Geberit Placca fissaggio diritta in acciaio zincato da 27 cm codice prod: 601.737.00.1
Verifica la scheda tecnica
Guarda il video
Scopri tutta la gamma Geberit
Prodotti dello stesso Brand e Categoria
UTILE DA SAPERE
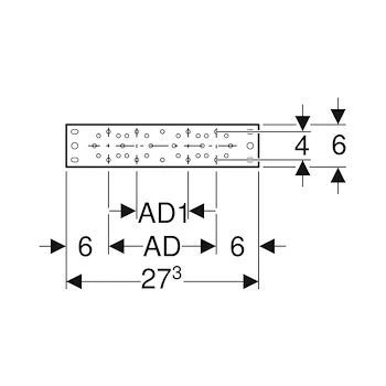
- Doppia interasse di allacciamento 7,3 cm oppure 15,3 cmMateriale di fissaggio in dotazione
DESCRIZIONE
Caratteristiche principali:
- placca per fissare dritta a parete
- installazione: a muro
Descrizione prodotto:
La placca di fissaggio diritta in acciaio zincato da 27?cm è progettata con doppia interasse di allacciamento da 7,3?cm o 15,3?cm, garantendo così versatilità nell’installazione.Il materiale di fissaggio è incluso, assicurando un montaggio completo. Questa soluzione tecnica è ideale per fissaggi precisi e affidabili, semplificando l’installazione di sanitari o componenti collegati.
Scheda Tecnica
Placca fissaggio diritta in acciaio zincato da 27 cm codice prod: 601.737.00.1
Tipologia Prodotto :
PLACCHE COMANDO
Materiale :
Acciaio
Dimensione altezza (cm) :
6,00
Dimensione profondità (cm) :
1,40
Compatibilità :
Cassette Geberit
Peso (kg) :
0,30
Garanzia :
2 anni per clienti privati, 1 anno per clienti con partita iva
Recensioni
Carico le recensioni...
Search term
{{{name}}}
Categorie
{{{name}}}
Brand
{{{name}}}
Prodotti
{{{name}}}
Stiamo crescendo...
In questo momento il servizio Desivero ricopre solo certe Province
Lascia la tua email, ti avviseremo quando saremo attivi nella tua zona.
Grazie! Il tuo messaggio è stato inviato.
Verrai avvisato non appena i servizi a domicilio Desivero saranno disponibili nella tua città.
Nel frattempo scopri i prodotti di cui hai bisogno per il bagno e l'idraulica



